- 雷達液位計料位計系列產品
- 壓力/液位/差壓/密度變送器
- 液位儀表系列
- 流量儀表系列
- 物位儀表系列
- 液位/溫度/壓力/流量-報警儀
- PLC/DCS自動化控制監控系統
- GPRS無線遠傳裝置
- 有紙/無紙記錄儀系列
- 溫度儀表系列
- 分析儀|檢測儀|校驗儀系列
電話:86 0517-86917118
傳真:86 0517-86899586
銷售經理:1560-1403-222 (丁經理)
??? ? ? ? 139-1518-1149 (袁經理)
業務QQ:2942808253 / 762657048
網址:http://www.ccsso.com.cn
均速管流量計的產品結構及工作原理


均速管流量計是一種利用差壓法測量氣體、液體流量的測量裝置,它通過對管道中流體平均速度的測量,反映出管道中流體的流量。均速管流量探頭主要有阿牛巴(Annubar)、威力巴(Vrabar)、威爾巴(Wellbar)、德爾塔巴(Deltaflow)、托巴(Torbar)、雙D巴等幾種。它是美國Dieterich標準公司在上世紀60年代中期研制的產品,70年代隨石油化工成套設備引進我國,國內許多單位對其應用進行了研究,并生產出多種產品,其應用也越來越普遍。
一、均速管流量計的工作原理
均速管流量計的工作原理見圖1。
圖1中,面對流體流動方向在全壓管上開了4個測孔,測孔按切比雪夫法或其它方法定位,4個測孔檢測的壓力由插入管均壓,插入管的壓力與背對流體流動方向的靜壓管檢測壓力的差值,經開方運算后即反映測量截面處流體平均流速的大小,也就反映了流量的大小。
與孔板等標準節流裝置比較,均速管流量計具有以下特點:計算簡便,易于按現場使用條件變更和修改參數;結構簡單、易于加工,價格低廉;安裝方便、維護量小;性能穩定,在長期使用過程中,其測量精確度基本不變;阻力損失小,大體相當于標準節流裝置阻力損失的5%。
以制造成本為例,對直徑100毫米的管道來說,孔板的價格稍高于均速管。隨著管徑的增加,孔板的制造成本直線上升,而均速管增加不多。當管徑達到400毫米時,孔板的制造成本較100mm管徑時增加了3-4倍,而均速管僅增加0.5倍。管徑再大,價格相差就更多了。但是,由于對均速管流量計的研究深度遠不及標準節流裝置,所以對流體介質較為清潔并需精確計量的場合,一般仍應選標準節流裝置。
二、均速管流量計結構
各種均速管本體結構大體相同,對選型來說其截面形狀和靜壓取壓點較為重要。
1、截面形狀
均速管截面形狀有圓形、菱形等,當流體流過均速管時,流體微團發生反向流動的起始點稱為分離點。對圓形截面均速管來說,雷諾數和靜壓的變化都會使分離點位置移動,從而使流量系數變化,如在雷諾數小于105及大于1.1×106時,流量系數基本穩定,但在105~1.1×106之間時,流量系數變化達±10%。這種異常稱為臨界現象。對菱形截面的均速管來說,分離點位置始終固定,因而不存在臨界現象。
圓形和菱形截面形狀均速管的性能対比見表1。
當設計選用圓形截面均速管后,應按流量變化范圍計算雷諾數變化范圍,如計算結果不能避開105~1.1×106范圍,而測量精確度要求較高時,則應考慮選用菱形截面均速管。
2、靜壓取壓點
均速管有工藝管壁取靜壓及測量管背面中心取靜壓兩種結構。工藝管壁取靜壓的結構可以減小均速管的尺寸,其特性曲線直線性好,但所得差壓值不足背面中心取靜壓所得差壓值的一半,所以對低速流體不宜采用這種結構。
三、混濁流體的測量
均速管流量計的測量對象基本上與標準節流裝置相同,主要用于干凈的氣體、液體及蒸汽,也可以用于有少量沉積物、粘附物的混濁流體。用于混濁流體時,應考慮選用帶下述結構的均速管流量計:
1、排污型均速管
均速管的一端裝有取壓閥,而另一端裝有排污閥,可在運行過程中排污。
2、不停車拆裝型均速管
在均速管裝置上裝有球閥,可在運行中抽出均速管,然后迅速關閉球閥。當均速管清洗完畢后再打開球閥,重新裝入均速管。這種在線清洗機構可以省去測量管線的旁路閥和旁路管線。
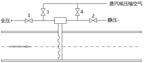
3、吹掃型均速管
采用圖3所示外接管線可以對均速管進行間斷吹掃。圖中閥1為全壓取樣閥,閥2為靜壓取樣閥,閥3、4為吹掃閥門。正常測量時,打開閥1、2,關閉 閥3、4;吹掃時,關閉閥1、2,打開閥3、4,用介質蒸氣或壓縮空氣可對均速管進行吹洗。
圖2 吹掃型均速管流量計管路示意圖
四、流速范圍
一般認為,均速管流量計所測流體的雷諾數應大于104,即處于紊流狀態。這是因為均速管的工作原理屬速度式流量計,是以測量流體在管道內平均流速為依據的,也就是說,它是以點代面地進行流量測量,而當流體處于層流狀態時,點代表不了面,測量的精確度就很低了。 '
再從測量差壓值方面考慮,當氣體流速低于10米/秒、液體流速低于0.4米/秒時,差壓值大致只有160-200Pa(背面中心取靜壓)或60-70Pa(管壁取靜壓)(見表3、表4)。差壓值這樣低,檢測比較困難,精確度比較低。所以大多數資料推薦被測氣體的流速應大于10米/秒、被測液體的流速應大于0.5米/秒。精確的流量測量則要求氣體流速大于15米/秒,液體流速大于1米/秒。對氣體來說,這個流速應該是根據工作狀態下的體積流量計算出的實際流速。這一點對高溫高壓氣體來說特別重要,因為在高溫狀態下實際流速遠遠大于換算成標準狀態下的流速,而高壓狀態下實際流速又小于換算成標準狀態下的流速。
五、均速管流量計直管段要求
由于均速管設有多對全壓取壓孔,所以對均速管流量計安裝位置前后直管段的要求低于孔板,具體要求見表2。
值得注意的是,國內幾乎所有均速管流量計使用說明書引用這張表時,在序號1安裝位置示意圖中都略去了均速管下游側的彎頭,因此,用戶無法理解“同一平面"“不同平 面”有什么不同,因為不管上游側彎頭朝什么方向彎,均與主管線在“同一平面"。而表2序號1、2安裝位置示意圖有上游側及下游側兩個彎頭,“同一平面”與“不同平面”是指兩個彎頭是否在同一平面上。
文獻中的這張表也有不合情理之處。序號1、2的“均速管流量計安裝位置”示意圖與本文的次序是顛倒的。筆者認為序號1在均速管上游側只一個90°彎頭,而序號2有兩個90。彎頭,序號2要求上游側直管段更長一點才合理。
某幾個廠的產品說明書在列出表2的同時又加了二張插圖(見圖3),圖名為“均速管所要求的上下游直管段”,圖中表示了在均速管上游側有一個90°彎頭時,上下游直管段長度各為2D。在均速管設計選用及現場安裝定點時,設計人員往往以此圖作依據。這張插圖近自自文獻,原文圖名是“均速管流量計直接裝在彎頭后”,但文獻正文中下述一段說明則沒有被這些廠的使用說明書引用:“而尤其難得的是,均速管流量計可以直接安裝在彎頭后僅兩倍直徑的地方,仍有可能給出穩定的示值。在這種情總下,如經過單獨的標定,可得到±2%的準確度,如仍用原給定的流量系數,仍可得到±5%的準確度。”正確的做法應采用本圖的圖名,并在正文中以顯要位置對此圖作必要的說明。
圖3 不精確測量時所允許的均速管*小直管段長度示意圖
昌暉儀表還建議;在只有圖示4D直管段長度的場所,按上游側2.5D、下游側1.5D位置安裝均速管效果可能更好。
六、均速管流量計*大差壓值估算
用均速管進行流量測量,*大的缺點是差壓值很小,別是對低流速的氣體更是如此。設計時應通過精確計算或估算,
求出*大差壓值,依此確定微差壓變送器的量程。如果無根據地選定微差壓變送器的量程,往往導致流量計現場投運時量程不符、需重新選型的錯誤。而均速管的*大差壓值估算,比孔板計算要簡單得多。為使設計選型正確,*大差壓值估算應該是均速管流量計設計選用過程中不可缺少的一步。
均速管流量計*大差壓值可按速算式近似估算:
,公式中△P為*大差壓值(Pa);Qa為刻度流量(m3/h);K為流量系統;D為管道直徑(mm);ρf為流體密度(kg/m3)。對背面中心取靜壓的方式來說,計算時可先按K=0.6來估算差壓;對管壁取靜壓的方式來說,計算時可先按K=1.0來估算差壓。
為了方便估算,列出了圖4及表2、表3。由圖4可方便地估算出流體流速,再按流體種類(氣體、液體),分別査表2、表3,即可由流體流速査出*大差壓值。
表2 氣體流速與均速管差壓值對照表
表3 液體流速與均速管差壓值對照表
表2是以空氣(20℃時密度1.205千克/立方米)為例計算的,表3是以水(20℃時密度998.2千克/立方米)為例計算的,與空氣密度相近的氣體、與水密度相近的液體,均可參照表2、表3確定*大差壓值。
如果設計者手頭上已經有某廠產品的使用說明書,而說明書中已經提供了流量系數K的參考值,則可用前述式直接計算*大差壓值,或者按下列算式求出修正后的*大差壓值△P修:
①對背面中心取靜壓的方式來說:△P修=△P(0.6/K)2
②對管壁取靜壓的方式來說:△P修=△P(1.0/K)2
大多數均速管流量計出廠時要附標定證書,證書上列出單獨標定的流量系數K值,根據標定證書上所列K值進行計算所得差壓值是可靠的,根據這個差壓值確定微差壓變送器的量程**不會錯。但在設計選用時*多只能知道可供參考的K值,所以估算的結果可能會有±30~40%的出入。因此,所選擇的微差壓變送器應該給△P值留有向上調及向下調的余地。切記:均速管流量計一定要以盡可能準確的K值進行較為精確的差壓值計算,以求微差壓變送器選型盡量正確。
上一條:皮托管流量計安裝與使用
下一條:法蘭式液位變送器選型及產品類型
- 相關文章
-
- 雷達液位計的核心技術參數 【2025-10-29】
- 雷達液位計優點和缺點 【2025-10-28】
- 高頻雷達料位計采用萬向型法蘭安裝與吹掃裝置要注意哪些因素 【2025-08-06】
- 雷達物位計的天線部份為什么采用PTFE聚四氟乙烯材料 【2025-07-10】
- 潤中儀表科技總結防腐電磁流量計校驗方法 【2015-01-02】
- V錐流量計幾種典型的使用誤區及分析 【2014-12-04】
- 圖解壓力變送器兩線制、三線制、四線制接線方式 【2018-08-20】
- 雷達物位計的天線部份為什么采用PTFE聚四氟乙烯材料 【2025-07-10】
- 潤中儀表科技解讀選用儀表傳感器的六個注意點 【2014-11-07】
- 插入式電磁流量計如何實現在線插拔 【2014-12-30】








