- 雷達液位計料位計系列產品
- 壓力/液位/差壓/密度變送器
- 液位儀表系列
- 流量儀表系列
- 物位儀表系列
- 液位/溫度/壓力/流量-報警儀
- PLC/DCS自動化控制監控系統
- GPRS無線遠傳裝置
- 有紙/無紙記錄儀系列
- 溫度儀表系列
- 分析儀|檢測儀|校驗儀系列
全國銷售熱線:400-9280-163
電話:86 0517-86917118
傳真:86 0517-86899586
銷售經理:1560-1403-222 (丁經理)
??? ? ? ? 139-1518-1149 (袁經理)
業務QQ:2942808253 / 762657048
網址:http://www.ccsso.com.cn
電話:86 0517-86917118
傳真:86 0517-86899586
銷售經理:1560-1403-222 (丁經理)
??? ? ? ? 139-1518-1149 (袁經理)
業務QQ:2942808253 / 762657048
網址:http://www.ccsso.com.cn
靜壓投入式液位變送器在原水池自動供水改造中的應用
發表時間:2018-07-16 ??點擊次數:1118? 技術支持:1560-1403-222
一、概述
靜壓投入式液位變送器是一種在各類供水現場中使用較為**的一種液位測量儀表,其測量原理是通過投入水中的水壓控制探頭監測水的壓力,并且將測量的水壓值與外部的大氣壓力作比較處理計算,通過內置的數字計算單元得到實際水位數值。因為其使用簡單,后續的維護工作量小,在工農業生產及各類生產生活的液位測量領域都得到了大量的應用,本文針對于靜壓投入式液位計在測量原水池中,通過對DCS的聯動控制,將測量的遠傳信號傳遞至控制部門,以實現遠程自動化控制水位變化的功能。
本文所說的原水池主要是指用于生產、生活及消防用水的儲存,在原設計中原水池供水需人工到現場開啟深井泵,操作室離現場較遠,如果僅僅依靠人工干預水位的控制,常常會造成水的外溢,造成不必要的浪費。通過對原水池供水系統的改造,配合靜壓投入式液位變送器的使用,做到讓原水池能夠自動供水。從而達到節約用水,節省人力的目的。
二、改造方案
針對以上存在的問題,對原水池的供水方式進行了改造,由原人工操作改為自動控制。
1.原水池液位的測量:原水池原來液位沒有計量,液位的高低完全由現場操作人員觀察,增加了職工的勞動強度,現在采取投入式靜壓式液位變送器配備相應的二次儀表,此液位計不僅能夠顯示液位的高低,而且還能夠輸出一個4—20mA 信號,這樣不僅在操作室增加了液位指示,而且還可以將4—20mA 的模擬量信號送給DCS,作為控制信號 。
2.DCS 控制:因我單位原有的控制系統為DCS 控制,而且有多余的I/O 接口,因此,確定采用DCS控制,DCS 接收到液位計輸入的4—20mA 的模擬量信號后,將此信號轉化為相應的液位量,而且設定液位高(H)、低(L)限報警值,液位信號與設定值進行比較,當現場液位在H、L 之間時沒有輸出,當現場液位指示等于L 時,DCS 輸出一個開啟泵信號,直至液位到達H 時,停止信號輸出。當液位再一次降到L 時,又重新給出開啟泵信號,如此往復循環。
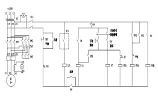
3.控制柜的控制回路改進:原設計因為為人工操作,所以沒有相應的自控部分,原設計如圖1 所示,
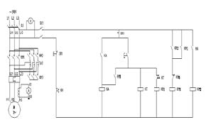
泵的啟動方式為星—三角啟動,有相應的開、停指示。改進后如圖2 所示。
圖1 改造前控制柜的控制回路

圖2 改造后控制柜的控制回路
改進后的回路只在原來的基礎上增加了一手動、自動轉換開關及中間繼電器KA,投資很小,當轉換開關置于自動位置時,當控制回路接收到DCS 的導通信號時,中間繼電器KA,得電吸合,輔助觸點閉合,控制回路導通,使泵開啟;當控制回路接收到DCS 的停止信號時,中間繼電器KA,失電,輔助觸點斷開,控制回路斷開,使泵停止工作。

三、結束語
通過此次改造后,經過一段時間的運行,原水池再沒有發生溢水的情況,而且減輕了工人的勞動強度,能夠更好的投入到其他的工作中去。
上一條:差壓液位變送器在核電站液位測量中的應用分析及故障解決
下一條:抗干擾型磁翻板液位計改造方案與投產情況分析
靜壓投入式液位變送器是一種在各類供水現場中使用較為**的一種液位測量儀表,其測量原理是通過投入水中的水壓控制探頭監測水的壓力,并且將測量的水壓值與外部的大氣壓力作比較處理計算,通過內置的數字計算單元得到實際水位數值。因為其使用簡單,后續的維護工作量小,在工農業生產及各類生產生活的液位測量領域都得到了大量的應用,本文針對于靜壓投入式液位計在測量原水池中,通過對DCS的聯動控制,將測量的遠傳信號傳遞至控制部門,以實現遠程自動化控制水位變化的功能。
本文所說的原水池主要是指用于生產、生活及消防用水的儲存,在原設計中原水池供水需人工到現場開啟深井泵,操作室離現場較遠,如果僅僅依靠人工干預水位的控制,常常會造成水的外溢,造成不必要的浪費。通過對原水池供水系統的改造,配合靜壓投入式液位變送器的使用,做到讓原水池能夠自動供水。從而達到節約用水,節省人力的目的。
二、改造方案
針對以上存在的問題,對原水池的供水方式進行了改造,由原人工操作改為自動控制。
1.原水池液位的測量:原水池原來液位沒有計量,液位的高低完全由現場操作人員觀察,增加了職工的勞動強度,現在采取投入式靜壓式液位變送器配備相應的二次儀表,此液位計不僅能夠顯示液位的高低,而且還能夠輸出一個4—20mA 信號,這樣不僅在操作室增加了液位指示,而且還可以將4—20mA 的模擬量信號送給DCS,作為控制信號 。
2.DCS 控制:因我單位原有的控制系統為DCS 控制,而且有多余的I/O 接口,因此,確定采用DCS控制,DCS 接收到液位計輸入的4—20mA 的模擬量信號后,將此信號轉化為相應的液位量,而且設定液位高(H)、低(L)限報警值,液位信號與設定值進行比較,當現場液位在H、L 之間時沒有輸出,當現場液位指示等于L 時,DCS 輸出一個開啟泵信號,直至液位到達H 時,停止信號輸出。當液位再一次降到L 時,又重新給出開啟泵信號,如此往復循環。
3.控制柜的控制回路改進:原設計因為為人工操作,所以沒有相應的自控部分,原設計如圖1 所示,
泵的啟動方式為星—三角啟動,有相應的開、停指示。改進后如圖2 所示。
圖1 改造前控制柜的控制回路

圖2 改造后控制柜的控制回路
改進后的回路只在原來的基礎上增加了一手動、自動轉換開關及中間繼電器KA,投資很小,當轉換開關置于自動位置時,當控制回路接收到DCS 的導通信號時,中間繼電器KA,得電吸合,輔助觸點閉合,控制回路導通,使泵開啟;當控制回路接收到DCS 的停止信號時,中間繼電器KA,失電,輔助觸點斷開,控制回路斷開,使泵停止工作。

三、結束語
通過此次改造后,經過一段時間的運行,原水池再沒有發生溢水的情況,而且減輕了工人的勞動強度,能夠更好的投入到其他的工作中去。
上一條:差壓液位變送器在核電站液位測量中的應用分析及故障解決
下一條:抗干擾型磁翻板液位計改造方案與投產情況分析
- 相關文章
-
- 80G 高頻雷達物位計液位計適用于泡沫和攪拌工況的原因分析 【2025-08-06】
- 80G高頻雷達液位計防腐防爆耐高溫的功能是如何實現的? 【2025-07-23】
- 高頻雷達液位計在石油行業液位測量應用中的優勢有哪些 【2025-07-17】
- 雷達液位計測量時如何有效規避攪拌葉片和泡沫的干擾? 【2025-07-07】
- 電磁流量計價格大概多少錢 生產廠家有哪些? 【2020-03-19】
- 如何通過壓力變送器測量密度變化介質容器的液位值 【2015-09-06】
- 插入式液位變送器耐高溫 【2024-01-05】
- 投入式液位變送器京東自營 【2023-12-23】
- 水位變送器液位不準分析 【2024-01-04】
- 液位變送器的毛細管長度 【2023-12-30】








